你好,
请问BQ76952 在报电芯欠压时,需要手动上下电单板,目前测试使用模拟器2.2v可以正常充电,1.9v充电失败,此时DDSG_FET和CHG_FET置1。
请问什么原因会导致这种现象?
This thread has been locked.
If you have a related question, please click the "Ask a related question" button in the top right corner. The newly created question will be automatically linked to this question.
你好,
请问BQ76952 在报电芯欠压时,需要手动上下电单板,目前测试使用模拟器2.2v可以正常充电,1.9v充电失败,此时DDSG_FET和CHG_FET置1。
请问什么原因会导致这种现象?
您好,请参考下面内容
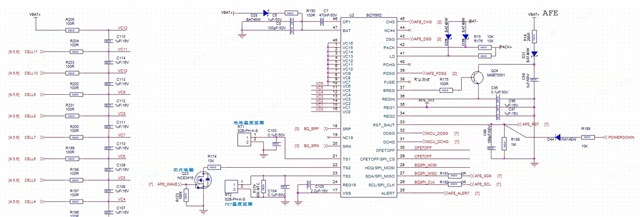
Please ensure that there is a cell connected across VC16 and VC15. If VC16 is shorted to VC15, then the cell balancing switch in the top cell (between VC15 and VC14) could not be enabled, since that switch is an NFET and needs a higher voltage for its operation (it draws from BAT). VC16 uses a PFET for its cell balancing switch, so it doesn’t need the higher voltage, but it is the only cell which uses a PFET cell balancing switch, all the rest use NFETs.
Additionally, please make sure the VC1 capacitor is connected to GND instead of VC0. I noticed that the cell connect portion of the schematic has 12S cells, but the BQ76952 portion of the schematic has only 6S cells connected. is there a reason for this?
In order to diagnose the issue, I would like to see log files of the issue, as well as the gg.csv file.