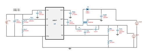
楼主yanran wang用LM5017设计了一款基于flyback拓扑的26V输入,+-17V输出的反激电源,但是仿真的时候,一直出问题,所以发帖求助:TI的老师们好。目前想使用TI的LM5017设计电源,将27V左右的直流电压利用FLYBUCK转化为+-17V(由于后面想接LDO降噪,所以电压稍微大点,以便后面输出+-15V)。我一直根据AN-2292设置了相应的参数(下图一)。然后利用TI网站上下载的LM5017spice模型,在ORCAD中做仿真。但是利用瞬态仿真出来的结果却完全不对(图二)?而且经常跳出覆盖范围类的错误,请大师们指点,是否我的设置参数有问题,或则电路接的是错的?
帖子链接:http://www.deyisupport.com/question_answer/analog/power_management/f/24/t/73611.aspx
楼主的仿真原理图,以及仿真的波形如下图所示:
仿真出错的波形如下:
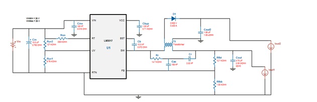
对于楼主的仿真问题,TI FAE:Johnsin Tao给出了解答。并且建议楼主,如果做LM5017参数设置仿真的话,可以使用TI自带的软件,也就是功能强大的WEBENCH:这个软件很方便,输入参数就可以得到电路图,同时可以编辑一些参数,以及器件。在使用时注意,因为是输出是单组,所以在写入参数,点击“开始设计”进去之后,再点击“新设计”,然后可以写入参数"Vout1/Vout2”, 这样就可以得到两组输出的可设计芯片参数。下面我们来看看使用WEBENCH仿真的结果如何?如下图所示的为仿真原理图:
对于楼主比较关心的耦合电感的设计问题,TI技术人员也给出了解答。
按照+/-17V 0.2A设计的,耦合电感规格点击变压器后编辑即可看到,见如下:
关于耦合电感的仿真设计,用TI WEBENCH仿真出现纹波过大的问题:wenench软件给出的方案仿真的输出电容的电流纹波都在300mA左右,这对我来说太大了,可以直接加大耦合电感和输出电容来改善吗?TI FAE:Jason Shen 给出了另外的一种解决方式,我们一起看看:1.可以完全按照BUCK电路的设计方法设计一个26V到17V的电源,将正负电源的电流合并为正电源的电流。2.将电感换成1:1的耦合电感。3.纹波注入电路可以参考webench设计的值。
需要注意的是,同一块板子上DC/DC和LDO电源的地和板子上的信号地,可以隔离,使用0欧姆电阻,可以做到噪声更小,如果设计合理的话。如果对割地不太清楚的,也可以使用一个大的铜皮作为统一的地。
对于楼主的另外一个问题:将正负电源的电流合并为正电源的电流问题:
TI 的技术人员也给出了详细的解答: 将正负电源合并成为正电源,实际是指折算,以17V正负输出而言,正电压17V有电流,负17V也有电流,将负的这路折算到正的这路,来计算电感的感量,而负输出这路,就当输出电流为0. 然后以1:1(或接近)的比例做成变压器,得到负输出的这路。
还有VCC相关的问题,TI 的技术人员也给出了详细的解答: Vcc的供电是来自芯片内部Vin的regulation, 一般输出再10V附近的时候可以考虑采用输出接二极管给电压到Vcc。
对于楼主关心的LM5017的VCC电压规格问题,其实在TI提供的规格书中有详细的描述,我们可以在设计的时候参考,如下图所示:
最后补充一点,就是LM5017的应用上,如果我们的设计功率比较大,散热环境不太好的,可以充分利用LM5017本身的热焊盘去处理散热问题,具体的可以参考下面的封装图,结合PCB过孔布局。
以上就是关于LM5017仿真以及应用上的一些感受,与大家分享一下。










