This thread has been locked.

If you have a related question, please click the "Ask a related question" button in the top right corner. The newly created question will be automatically linked to this question.

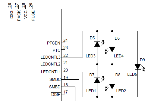
BQ4050: LED Flash Issue

Part Number: BQ4050


Hi 

现在我这边在使用BQ4050LED电量显示时遇到了一个问题,在一个项目中,我需要使用4LED来做电量指示。LED1~LED4分别对应25%~100%,在电池包电量没有充满之前LED的显示都是正常的。在SOC到达100%后,LED2LED4会进行闪烁,LED1LED3是正常显示的。我看官方手册中的描述是支持4 LED.不知道这个问题是否有什么好的解决办法 ?