楼主 jinhong yang想使用tps70302设计一款多路输出的电源,但是对其功能以及如何使用不太明白,使用中出现烧毁的情况,故发帖求助:我用tps70302为TMS320VC5502设计1.26V和3.3,输入5V,输出Vout2应该是1.26,Vout1应该是3.3V,但Vout2竟是5V,Vout1没有输出。这什么问题,难道芯片烧了?附件附有电路图。
帖子链接如下所示:http://www.deyisupport.com/question_answer/analog/power_management/f/24/t/24113.aspx?pi2132219853=1
楼主的电路图如下所示:
TI FAE: Johnsin Tao解答了楼主的问题: 芯片已经损坏,5V输入5V输出代表这一路LDO以及击穿了。建议你确认一下您芯片底部的PowerPAD是否焊接良好,layout要求PowerPad需要充分焊接,并且扩展用于散热,可以参照EVM板: http://www.ti.com.cn/cn/lit/ug/slvu036/slvu036.pdf
我们再看看楼主的PCB文件,如下图所示:
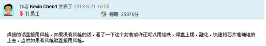
对于PCB布局问题,TI技术人员给出的建议是: layout上要注意,你输入掉Vin脚的走线太窄了,这个LDO是比较大输出的电流的,芯片在设计上采用相邻两个脚供电,就是方便layout时采用较宽的走线的。你的PowerPad没有接GND吗? 如果是PWP封装的,芯片内部GND脚与热Pad是相连接的。(1, 12, 13, and 24 are internallyconnected to the thermal pad and the IC substrate).
此外,TI技术人员还建议如下: 另外输入电容0.22uF虽然是参考datasheet,但是datasheet上的电路并不完整,0.22uF肯定是不符合瞬态变化的,需要额外增加足够的电容,这个也可以参照EVM板的使用指南。这一点在datasheet第三十一页的输入电容要求里面也有说明的。
对于地线的链接问题,楼主是这样解释的:我铺铜的是地和孔是地,与1,12,,13,24连接,但不是焊盘,这应该是错的?
我们看看TI技术人员的解答吧: 其实你的焊盘也是接GDN的,不过是通过GND pin脚, 你的连接也没有错。这一块你可以参考TI的EVM板,从板子的layout看,焊盘是充分的与GND, 而4个GND 脚看起来像是悬空的。
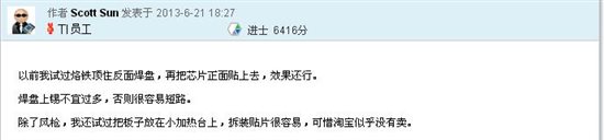
关于tps70302的焊接方法,TI技术人员也提供了很多的建议,我们可以一起学习一下:一般可以在Pad上加锡,然后将锡拖掉,在用热风枪焊接就可以了。(有PowerPad的芯片一般用热风枪焊接比较容易)。焊接的话直接用风枪,如果没有风枪的话,看了一下这个封装或许还可以用烙铁,焊盘上锡,融化,快速将芯片准确地放上去,当然如果有风枪就直接用风枪。
关于焊接的方法,我们还可以参考一下Scott Sun 的建议,如下图所示:
以上就是对于楼主使用tps70302使用问题的回答。我们可以好好学习一下。
那么tps70302 究竟是一款什么样子的芯片呢?我们改如何正确的使用tps70302来设计电源呢。这些都是我们在设计中需要学习的问题,下面我们就一起去学习一下tps70302这款芯片的详细功能,如下图所示,是tps70302的封装结构图:
关于tps70302的封装,其实就是很简单的PWP 24PIN的结构,我们注意整个芯片下面巨大的热焊盘,这个是芯片散热的关键所在,下面我们来看看tps70302的的输入输出参数,如下图所示:
如上图所示,我们可以看到tps70302的的输出是支持两路的,最大电流分别为1A和2A。tps70302的输入电压范围是从2.7V到6V的。两路输出电压嗾使1.2V到5.5V,了解了这些参数,这个对我们的设计就简单多了.
下面我们再看看tps70302的典型的应用电路图,如下所示:
下面我们来学习一下,使用tps70302来设计电路应该注意的问题。首先需要关注的就是tps70302的工作的环境温度的问题,如下图所示:
如上图所示,TI推荐的典型的工作温度范围是从-40到125度的。此外我们还要关注tps70302的耗散功率的问题,不要超过这个限制,如下图所示:
我们还需要关注一下结温与DROPOUT电压的关系,如下图所示,这个与损耗密切相关:
在tps70302的设计中我们需要注意输入电容的选择,如下图所示:
在tps70302的设计中,输出电容的容量和ESR至关重要,关系到在tps70302的设计的稳定性,可以参考下面的资料:
最后关于tps70302使用,我们需要重点关注的就是芯片的散热问题了,最重要的就是充分利用tps70302的热焊盘,配合PCB的铜箔去散热,如下图所示:
还有相应的损耗计算的关系图,我们都可以直接的参考使用,如下图所示:


