This thread has been locked.

If you have a related question, please click the "Ask a related question" button in the top right corner. The newly created question will be automatically linked to this question.

LM27313使能关断无效问题

Other Parts Discussed in Thread: BQ34Z100, LM27313, LM27313-Q1

          楼主 想使用BQ34Z100设计一款DCDC电源设备,但是对其功能以及如何使用不太明白,出现了使能无法关断电源的情况,故发帖求助:LM27313是一款升压DC2DC,/SHDN为使能关断管教,输入7.4V。当/SHDN为高时,芯片输出正常,输出8V。当其为低时,芯片输出为7V,不是关断该有的电压。另外当输入大于8V时,该芯片设定为8V,是否可以正常工作?谢谢!

帖子链接如下所示:http://www.deyisupport.com/question_answer/analog/power_management/f/24/t/14391.aspx

            TI FAE: 解答了楼主的问题:这是datasheet中推荐的原理图,可否当/SHDN脚为低时,去掉R3电阻,看看输出电压是否正常?

         TI FAE:也提供了帮助:SHDN 为低时,SHDN的电压是多少?通过什么器件来拉低SHDN?其电压为多少?

           我们看看规格书对于SHDN的要求吧,如下图所示:

        我们看看楼主对于问题的进一步的描述吧: 附件是原理图,在使能端的接法和推荐稍微有点差别,但基本没问题。常态时电阻拉低到地,其他时间由两个3.3V的电平经二极管做或逻辑后驱动使能端。详见附件。

          楼主附件中的原理图如下所示:

           对于楼主的问题,我们看看TI技术人员的解答吧: 在你的电路中,即便/SHDN即便处在低(<0.5V),只是关闭了芯片,停止升压,但是因为电感L2, 二极管D2.滤波电感L3, 会形成输出到输出的回路,所以此时虽然芯片不动作了,但是输出电压Vo= 输入电压Vin-二极管电压Vd, 即7.4-0.4=7V(如果二极管导通电压Vf=0.4V的话).

          同时TI技术人员还提供了一些建议,我们可以参考一下:通常的芯片都是采用高低电平的逻辑控制芯片使能。建议优化您的使能电路。

              以上就是对于楼主使用LM27313使能关断无效问题的回答。我们可以好好学习一下。

             那么LM27313 究竟是一款什么样子的芯片呢?我们该如何正确的使用LM27313来设计电源呢。这些都是我们在设计中需要学习的问题,下面我们就一起去学习一下LM27313这款芯片的详细功能,如下图所示,是LM27313 的封装结构图:


              关于LM27313的封装,其实就是很简单的SOT-23 5PIN的结构,整体的设计非常简单,注意第4PIN,也就是SHDN的描述,如下图所示:

           很明显,SHDN就是楼主所说的使能关断PIN了,我们看看LM27313的内部结构图,如下所示:

         关于SHDNDE 的电流也是非常小的,也就是说芯片在关断的损耗非常小,如下图所示:

         下面我们来看看LM27313的的输入输出参数,如下图所示:

             如上图所示,我们可以看到LM27313的输入电压范围为1.7V到14V输出电压范围为4V到28V。最大输出电流为1A,典型的控制拓扑结构为Boost,也就是说LM27313只能实现升压输出。不过我们需要注意的是,LM27313不工作的时候,还是有输出回路的,了解了LM27313的这些参数,这个对我们的设计就简单多了.

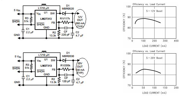
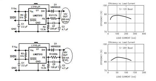
           下面我们再看看LM27313的典型的应用电路图,如下所示:

            LM27313的典型应用电路老看,这个电路的设计还是非常简单的,我们注意LM27313的开关MOSFET是和SE连接在一起的,内置在LM27313的内部,关于内置MOSFET的参数,我们可以参考下面的表格:

          我们尤其需要关注的就是  LM27313的温度与开关电流的关系,如下图所示:

           当然了,开关电流和工作频率占空比的关系也是需要注意的,如下图所示:

            在LM27313相关电路的设计中,我们还要注意输入电容的选择,2.2uF的最小容量,LOW ESR 和LOW ESL,如下图所示:

         关于输出电容的选择,也需要注意,4.7uF到10uF的容量,LOW ESR是必须的,如下图所示:

            关于输出二极管的选择,最好就是肖特基了,如下图所示:

        关于电感的选择,注意就是注意温纹波,以及饱和电流,损耗的问题了。

        最后我们LM27313设计电路的时候,还需要注意PCB布局的问题,可以参考TI推荐的方案,如下图所示:

        TI的典型布局图如下所示:


              以上就是关于LM27313使能关断无效问题的分析学习,以及使用LM27313设计电路需要注意的一些问题,与大家分享一下。