This thread has been locked.

If you have a related question, please click the "Ask a related question" button in the top right corner. The newly created question will be automatically linked to this question.

webench生成的设计方案,有输出,但随便加点负载(肯定没有过载),电压就降到没了



1.问题描述:kai sun1提出问题:

2.原文链接:http://www.deyisupport.com/question_answer/analog/power_management/f/24/t/65013.aspx

3.解答问题的TI FAE: Max Han

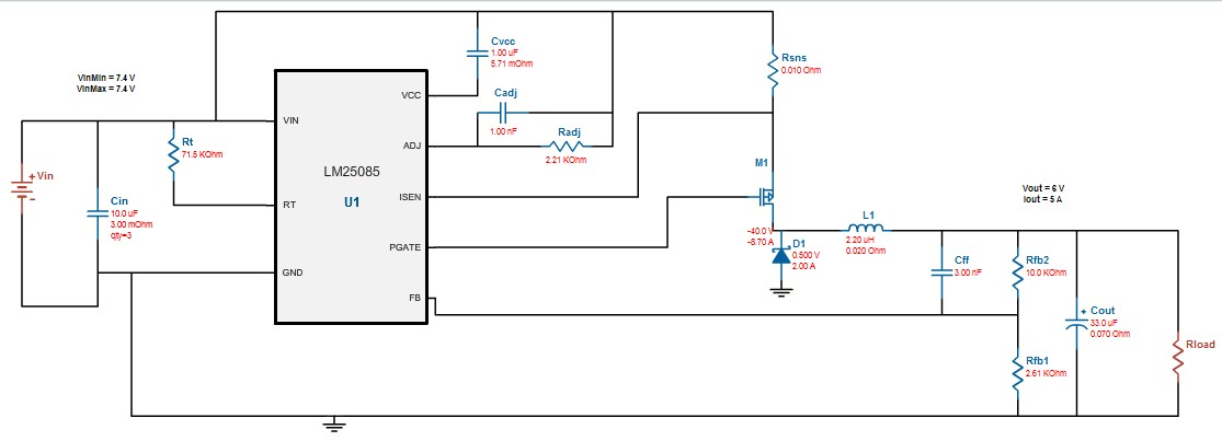
你使用的Rsns电阻是什么封装的

这里的Rsns电阻需要一个大封装的功率电阻,并且温度系数要小。

4.个人的收获:

首先输入电压参数设置的不合理,输入只有7.4V,一般有个小范围,比如7-9V,可以说是额定电压是7.4V。甚至输入范围更大点。

说先怀疑输入电压参数只设置了一个点,而不是一个电压范围,所以可能会影响到带不动负载。

  • 设计一个方案,对比一下

    点击开始设计,得到下图:

    跟原理原理图对比,很多参数不一样的地方,可以修改为这个原理图的参数,再试验下,能否带动不同负载。

    附件是详细的方案设计和参数计算器,希望有所帮助。

    点击现在模拟,得到下图

    负载阶跃仿真波形如下: