使用BQ76952 15串的应用,仅用作电压和温度采样,其他功能基本没用,已将引脚上拉/或下拉至默认状态。
问题是当充电的电流从10A提升到大电流(80A)时,第一节电压的采样值会从3300mV左右变到2500mV,其他节的电压采样值不变,
使用示波器抓取第一节电压值,没有看到跌落,抓取IIC的数据看到76952上传给主控的电压就是2500mV。


This thread has been locked.
If you have a related question, please click the "Ask a related question" button in the top right corner. The newly created question will be automatically linked to this question.
您好,There are common issues when cell voltages are not equally distributed (specially VC1-VC0).
1- Was calibration performed?
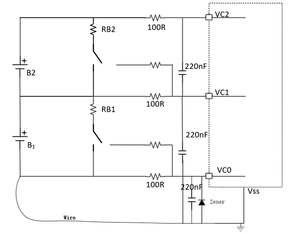
2- It is possible to read a lower differential voltage across VC1-VC0 if the VC0 to VSS voltage is higher than 0.5-V. Hence, VC0/BAT- should ideally be at the same reference to VSS. So, the resistance between VC0 and VSS should be minimal.
Is the customer using a custom board or our EVM?
This thread shares some useful information.
Hi, Star ,感谢你的回复。
1. 电压没有经过校准,76952本身的采样误差不算太大,最大15mV应该不会有影响
2. 使用的是自己的设计板并非EVM
关于链接帖子中提到的当VSS电压比VC0(BAT-)电压低0.5V或更大时可能会造成VC0-VC1之间的采样值变小我并不反对。我也特意测量了设计板上VC0-VSS之间的电压,当BAT-和VSS之间通过80A的电流时,仅有0.08V的压降产生,还远远达不到0.5V及以上的电压。因此也不应该导致VC1-VC0之间的采样值变小,事实上确实出现了这种现象。

1. 当VC0比VSS电压高0.5V以上时,导致VC1-VC0之间电压采样低的根本原因是什么呢?这或许对我分析这个问题有帮助
2. 除了VC0比VSS电压高0.5V会导致VC1采样值偏小之外还有什么可能性呢?
您好,This certainly sounds like VC0-VSS is being increased beyond 0.5V. Did you measure with a scope or with a multimeter? I would recommend measuring with a scope so that any transients are not filtered out by the multimeter's measurement integration. Even a very quick transient of a few milliseconds could cause the cell 1 measurement to drop if the timing of it is poor.