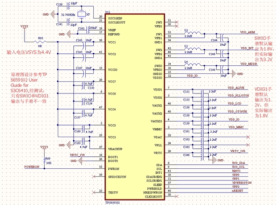
现在采用TPS659102这款芯片作为SAMSUNG S3C6410的电源管理芯片,原理图设计参考TI提供的TPS659102 User Guide for S3C6410手册,该手册提供的有LDO和SMPS的默认输出电压,但是现在VIO和VDIG1输出始终不正常,其他通道均正常。现在还在硬件调试,无法设置内部寄存器。芯片上电后各个通道应该有一个默认输出电压,麻烦告知。以下是我的原理图设计,请指出错误的地方,谢谢!

This thread has been locked.
If you have a related question, please click the "Ask a related question" button in the top right corner. The newly created question will be automatically linked to this question.