This thread has been locked.

If you have a related question, please click the "Ask a related question" button in the top right corner. The newly created question will be automatically linked to this question.

急!基于ucd9248与ptd08d210,一路电流输出过大,求解决

Other Parts Discussed in Thread: PTD08D210W

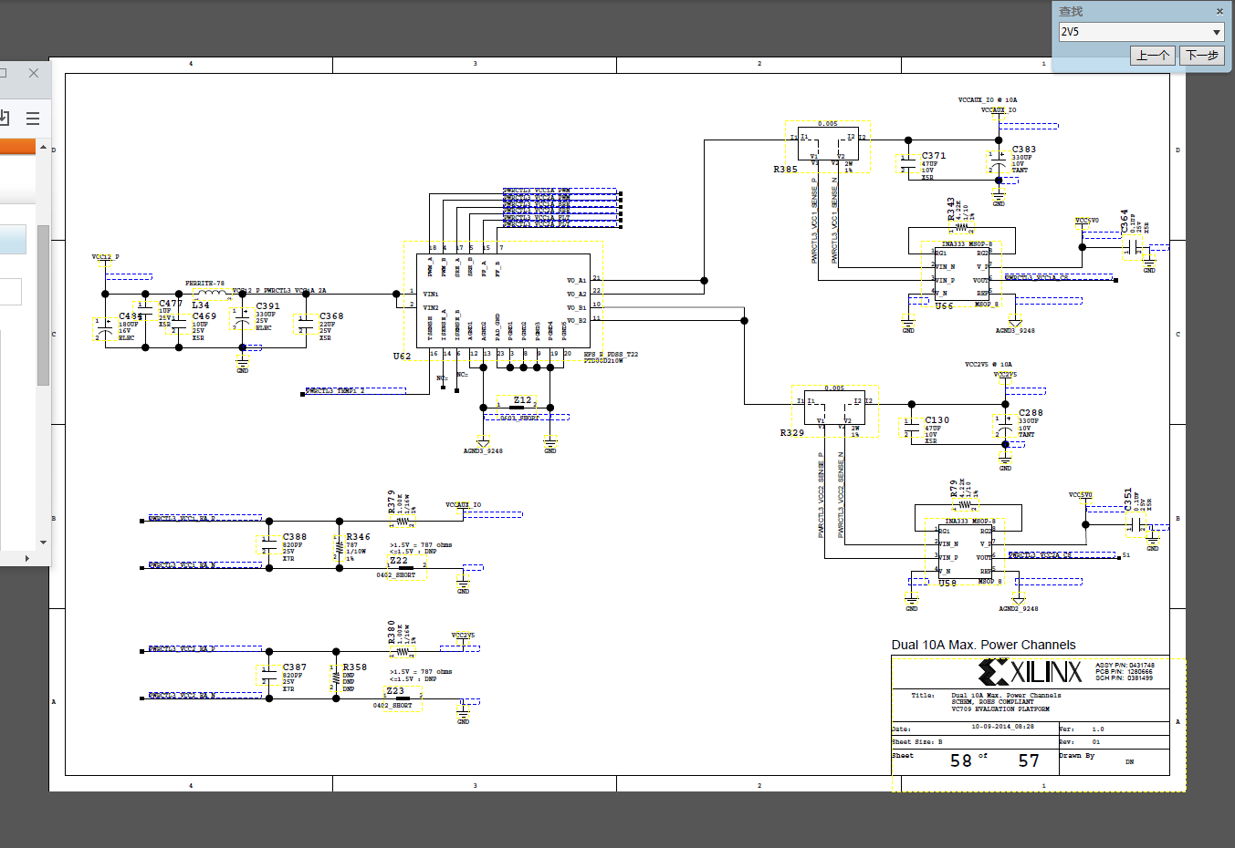
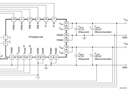
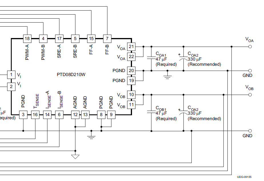
设计思想来源于xilinx的VC709开发板,输出目标电压2.5V,额定电流10A,现在用FUSION tool设置,电压输出正确,但是检测到的空载电流达到了3.5A,其他路的电流都是小于0.1A,目前板卡只焊接了电源模块,负载都没焊。求解 释!并求高手解释反馈电流电压对结果的影响及正确的配置。附图: