Other Parts Discussed in Thread: LM1117
我想LM1117是否可以这么用,DA转换器的输出和LM1117的地相连,LM1117将察觉不到整个电势被DAC抬高了。因此输出叠加了3V。若这个设想可行,那么可以做程控电源,DAC的输出电压+5V等于LM1117的输出电压。
若上述想法可行?是不是又可以有以下用法呢?拿固定输出5V的LM1117当做LM1117-ADJ用。
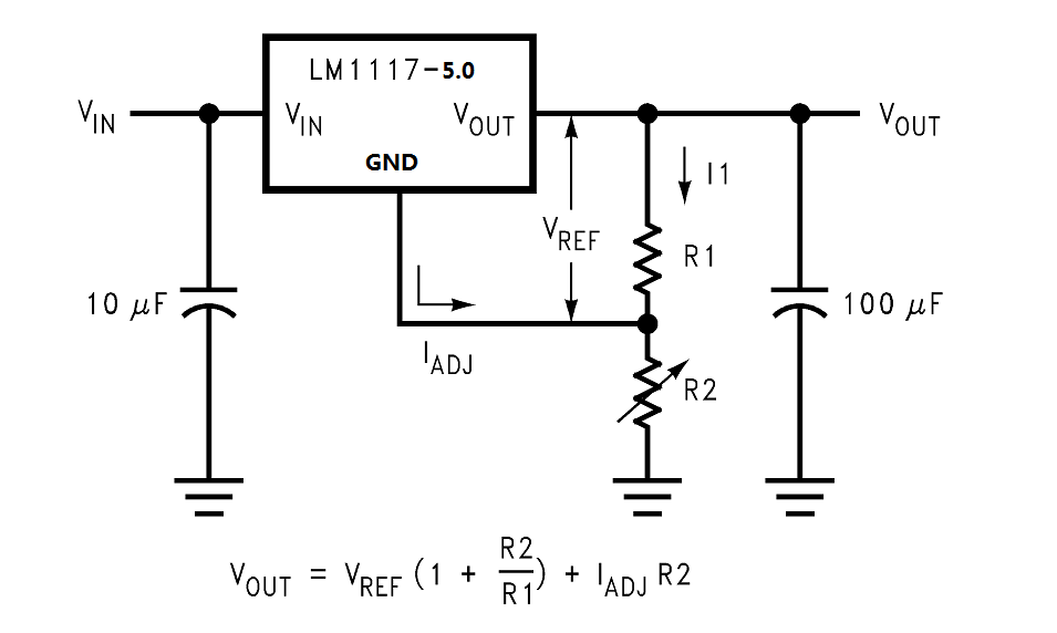
LM1117-5.0的电势被电阻R2抬高了,式中VREF=5V.
有点突发奇想,希望凭借此讨论,加深对电路的理解。

