This thread has been locked.

If you have a related question, please click the "Ask a related question" button in the top right corner. The newly created question will be automatically linked to this question.

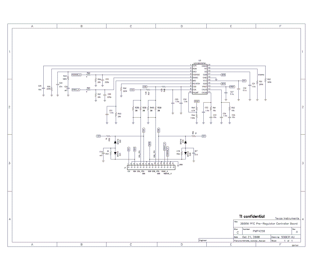
UCC28070 PFC调试问题



目前200V AC输入。350V,1000W输出。但输入电流信号在过零时间非常长,请问什么原因?测试输入电压采样信号,却没有幅值为零的时候,奇怪的狠啊。求解释