This thread has been locked.

If you have a related question, please click the "Ask a related question" button in the top right corner. The newly created question will be automatically linked to this question.

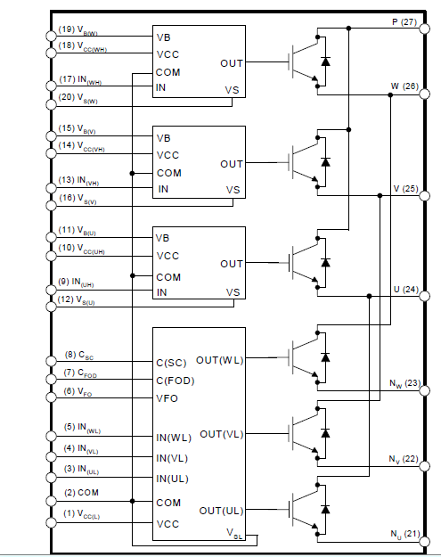
DRV8301是否能与仙童的IGBT模块FSBB30CH60连接驱动600V,30A的直流无刷马达

Other Parts Discussed in Thread: DRV8301

大家好:

       我现在需要做一块直流无刷驱动器,电机功率是1800W,我想问下DRV8301是否能与仙童的IGBT模块FSBB30CH60连接驱动600V,30A的直流无刷马达??怎样连接在一起?附件是仙童的IGBT模块FSBB30CH60内部图!谢谢!