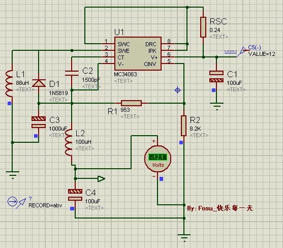
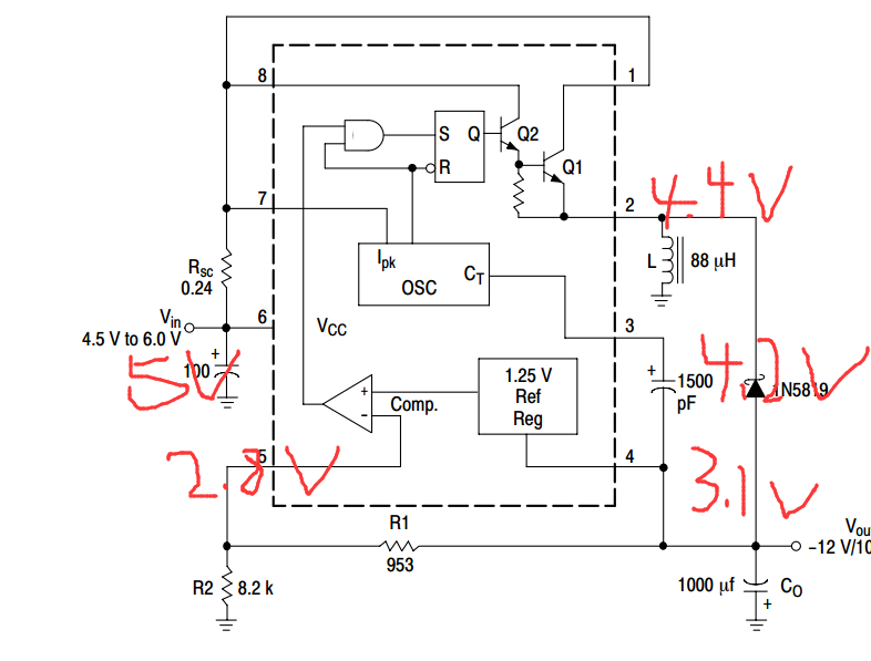
大家好,电路按照官网做的,但是输出却是3.1v怎么也没有负电压产生,我电感L用的是82uh,100uh的也试过,不知道怎么回事,红色的标注是我在电路板上测出来的拐脚的电压值
This thread has been locked.
If you have a related question, please click the "Ask a related question" button in the top right corner. The newly created question will be automatically linked to this question.