在使用TPS7A4901和TPS7A3001时,输出会有干扰脉冲。原理图如下
下图为输出的脉冲干扰的脉冲
我想知道怎么才能消除这样的干扰脉冲,为精密电流放大器LMP7721提供干净的电源。如能提供帮助,不胜感激!
This thread has been locked.
If you have a related question, please click the "Ask a related question" button in the top right corner. The newly created question will be automatically linked to this question.
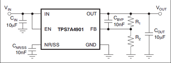
在使用TPS7A4901和TPS7A3001时,输出会有干扰脉冲。原理图如下
下图为输出的脉冲干扰的脉冲
我想知道怎么才能消除这样的干扰脉冲,为精密电流放大器LMP7721提供干净的电源。如能提供帮助,不胜感激!