This thread has been locked.

If you have a related question, please click the "Ask a related question" button in the top right corner. The newly created question will be automatically linked to this question.

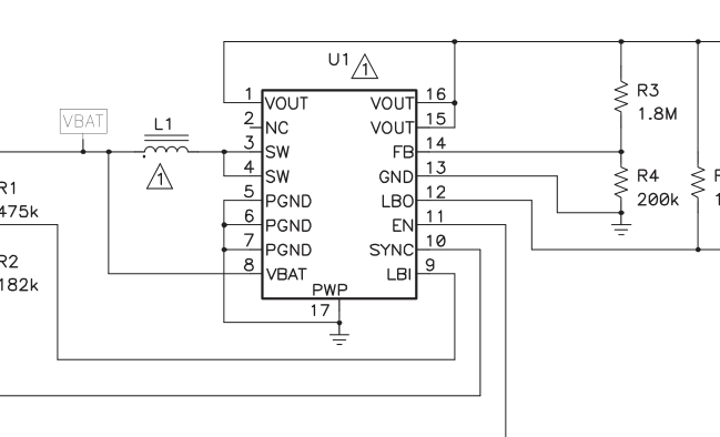
关于FB SW pin的新手咨询



如下图: 1,为何SW管脚和VBAT管脚要接在一起?

     2,SW,和FB是什么单词的缩写,这2个pin有什么作用?

     3,SYNC和LBI管脚有什么作用?