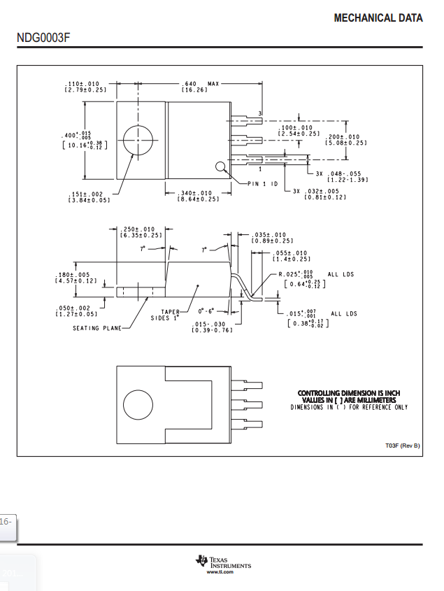
大家有没有觉得TI数据手册上的封装命名非常乱啊???小弟都快抓狂了!!
如图中红色框内所示,是通用标准封装库命名。这个截图是TI的DATASHEET中的。那么下面这个图的名称我就没法和上面进行对应了(哥此时内心极度激动,尺寸图和封装名称难道就不能对应起来么?难道就不能再尺寸图右上角标注上标准封装名称么??血压都升上来了!!!)!!!
按道理讲这么很简单的对应关系应该在图上有很简洁明确的标注,但是这个真不能理解,我都快怀疑TI编写文档的人的智商了!!!
各位,帮我看看,是我不会读文档还是TI的确实做得很别扭。
