This thread has been locked.

If you have a related question, please click the "Ask a related question" button in the top right corner. The newly created question will be automatically linked to this question.

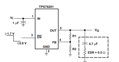
关于TPS76201



手册中的电路如上图,由下表求得VO,请问,我可以将R1 R2 悬空,而直接取V0=VREF吗?谢谢