This thread has been locked.

If you have a related question, please click the "Ask a related question" button in the top right corner. The newly created question will be automatically linked to this question.

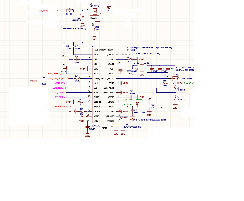
关于TPS65381输入的疑问?



电路如图所示,输入端电压为12V,为什么我的6V端没有电压输出,测量此点电压为0,且供电电源上显示的电流为0.

就算后面的5V 3.3v等没有电压输出,6V也应该有电压输出啊,这个应该是常态有电的,不受内部寄存器配置值的影响,否则后端的MCU IO电压及MCUcore电压也没有,MCU也就无法工作。