This thread has been locked.

If you have a related question, please click the "Ask a related question" button in the top right corner. The newly created question will be automatically linked to this question.

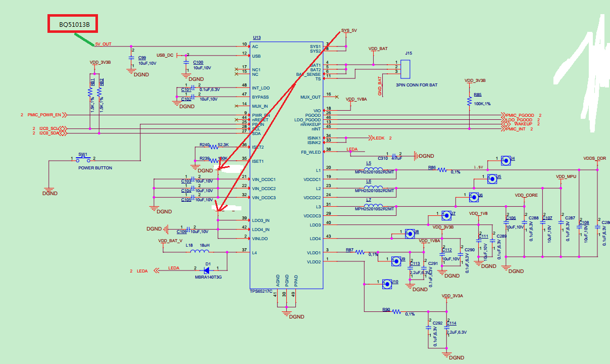
tps65217c DCDC端和LDO端的问题

Other Parts Discussed in Thread: BQ51013B, TPS65217

各位工程师:

        请问如果给tps65217c的ACpin脚供电,是否它的DCDC输出端和LDO输出端就会有默认的电压输出?

还是说tps65217c必须要接上cpu才能工作?我在tps65217c的ACpin脚提供了5V的电压输入,它的充电模

块有电压输出,但在DCDC和LDO的输出端测电压都没有反应,请问是为什么?