This thread has been locked.

If you have a related question, please click the "Ask a related question" button in the top right corner. The newly created question will be automatically linked to this question.

关于基准电压的问题

Other Parts Discussed in Thread: TL431

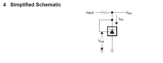
我现在希望在MSP430的VREF+端接上一个2.5V基准电压,使用TL431,根据datasheet

(图一)

使用TINA仿真(图二)

出来的TL431的ref脚电压是这个?

然后我在电压源负极接入一个测量点(图三)

最后发现我需要接个GND(图四)

这是为什么,图二所测电压为什么是这样的。