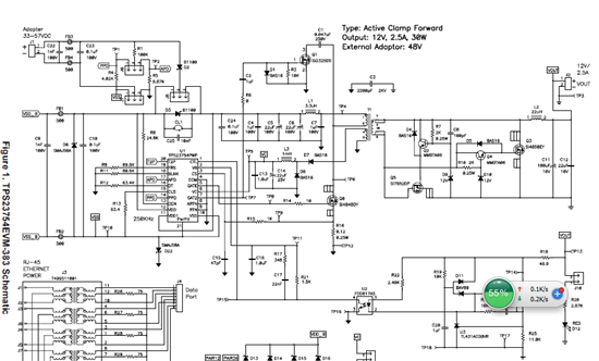
控制IC是TPS23754。。。。抄TI官网TPS23754EVM-383,输入36-72V,变压器匝数比17:12:12,输出15V。希望TI给个解决方案官网,
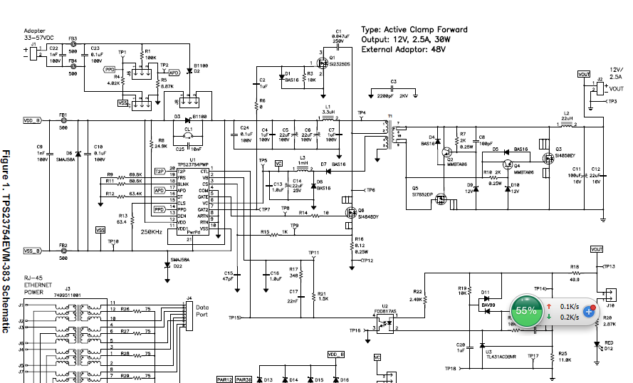
Q5换成了7450DP;Q2,Q4换成了MMBT5551
This thread has been locked.
If you have a related question, please click the "Ask a related question" button in the top right corner. The newly created question will be automatically linked to this question.
控制IC是TPS23754。。。。抄TI官网TPS23754EVM-383,输入36-72V,变压器匝数比17:12:12,输出15V。希望TI给个解决方案官网,
Q5换成了7450DP;Q2,Q4换成了MMBT5551