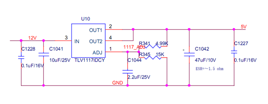
使用TLV1117IDCY将12V变为5V,电流需求是0.5A。电路图如下所示,输出不是5V,而是6.3V,为什么?
为了输出正确电压,只能调整两个电阻R1=6.8K,R2=13.2K时,输出5.3V,为什么?这与公式完全不匹配啊。
This thread has been locked.
If you have a related question, please click the "Ask a related question" button in the top right corner. The newly created question will be automatically linked to this question.
使用TLV1117IDCY将12V变为5V,电流需求是0.5A。电路图如下所示,输出不是5V,而是6.3V,为什么?
为了输出正确电压,只能调整两个电阻R1=6.8K,R2=13.2K时,输出5.3V,为什么?这与公式完全不匹配啊。