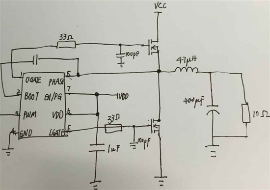
没加mos管时芯片几乎没有工作电流,输入输出波形正常,但加上mos管后,工作电流竟然有20mA,且随着供电电压增加而增加,电路正常工作,搭的是个buck电路,具体参数见图,左边是芯片电流,右边是buck电路的电流,效率非常低下,请大家指点电路的问题,纯手工制作,多多包涵。
电路图
This thread has been locked.
If you have a related question, please click the "Ask a related question" button in the top right corner. The newly created question will be automatically linked to this question.
没加mos管时芯片几乎没有工作电流,输入输出波形正常,但加上mos管后,工作电流竟然有20mA,且随着供电电压增加而增加,电路正常工作,搭的是个buck电路,具体参数见图,左边是芯片电流,右边是buck电路的电流,效率非常低下,请大家指点电路的问题,纯手工制作,多多包涵。
电路图