Other Parts Discussed in Thread: LM2596
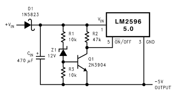
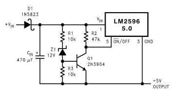
有没有使用过LM2596芯片负电压电源功能的朋友?我想用它来做一个运放双电源的负电压电源。如图中,-5V Vout端的电流它是source还是sink?或者两者皆能?它能不能和+5V电源配合来吸入电流?
This thread has been locked.
If you have a related question, please click the "Ask a related question" button in the top right corner. The newly created question will be automatically linked to this question.
Other Parts Discussed in Thread: LM2596
有没有使用过LM2596芯片负电压电源功能的朋友?我想用它来做一个运放双电源的负电压电源。如图中,-5V Vout端的电流它是source还是sink?或者两者皆能?它能不能和+5V电源配合来吸入电流?