尊敬的TI工程师:
你们好!
我选用了贵公司的LMZ31710,用来输出1.0V电压为FPGA提供核电压,但是现在仅输出不足0.1V的电压。
由于我画电路图时没有很好的区分AGND与PGND,不知道会不会影响输出,我的原理图放在附件里了,麻烦你们帮我看一下,其中SS的电容已经改为4.7nF。
我的输出电容与参考电路给的不太一致,不知道对结果影响有多大,谢谢你们百忙中为我解答问题。
This thread has been locked.
If you have a related question, please click the "Ask a related question" button in the top right corner. The newly created question will be automatically linked to this question.
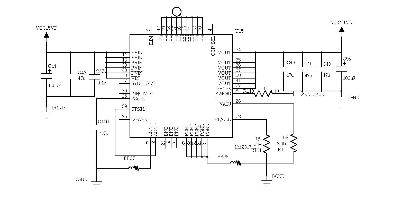
尊敬的TI工程师:
你们好!
我选用了贵公司的LMZ31710,用来输出1.0V电压为FPGA提供核电压,但是现在仅输出不足0.1V的电压。
由于我画电路图时没有很好的区分AGND与PGND,不知道会不会影响输出,我的原理图放在附件里了,麻烦你们帮我看一下,其中SS的电容已经改为4.7nF。
我的输出电容与参考电路给的不太一致,不知道对结果影响有多大,谢谢你们百忙中为我解答问题。