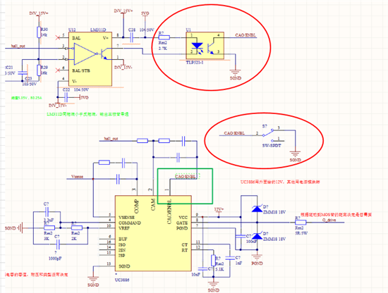
由于要设计的电源电流很大,决定采用电流霍尔传感器而不使用UC3886自带的current sense amplifier,这个时候就不需要使用BUF,ISO,ISN,ISP引脚,将这些引脚悬空可以吗。或者是有其他更好的处理方法。
This thread has been locked.
If you have a related question, please click the "Ask a related question" button in the top right corner. The newly created question will be automatically linked to this question.
由于要设计的电源电流很大,决定采用电流霍尔传感器而不使用UC3886自带的current sense amplifier,这个时候就不需要使用BUF,ISO,ISN,ISP引脚,将这些引脚悬空可以吗。或者是有其他更好的处理方法。