不能启动
This thread has been locked.
If you have a related question, please click the "Ask a related question" button in the top right corner. The newly created question will be automatically linked to this question.
/resized-image/__size/640x480/__key/communityserver-discussions-components-files/24/tps61196_2D00_2.png/resized-image/__size/640x480/__key/communityserver-discussions-components-files/24/tps61196_2D00_1.png
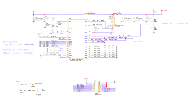
FRANK你好,我根据您提供的参考板修改了还是无法BOOST到目标电压。我们输入电压是12V,我抓了两张波形,其中一张是放大的,CH1测试的SW点(TP2)波形,CH2测试的D1阴极输出位置,CH3测试的GDRV的波形。
从结果看,VO没有升压效果,看起来和输入电压一样。从CH1波形中看SW位置在NMOS开通瞬间电压为9V左右,没有被拉低到接近0V或者1V~2V.而且功耗很大,工作一段时间就会把NMOS烧坏。
请教一下这大概会是什么原因导致的?您有遇到过这样的案例吗?