Part Number: TPS562211EVM
Other Parts Discussed in Thread: LMR16030, TPS56221, LM5117
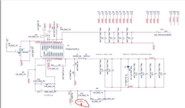
问题点: 当提供一个可变的Vtrim电压时,TPS56221烧坏,表现为输入对地短路/输出对地短路/ 或两种短路的情况都都有。Vtrim电压可以是PWM方波。之前用的LM5117/LMR16030就没有这个现象。请问是什么原因呢?
输入12V,输出最大10V.
This thread has been locked.
If you have a related question, please click the "Ask a related question" button in the top right corner. The newly created question will be automatically linked to this question.
Part Number: TPS562211EVM
Other Parts Discussed in Thread: LMR16030, TPS56221, LM5117
问题点: 当提供一个可变的Vtrim电压时,TPS56221烧坏,表现为输入对地短路/输出对地短路/ 或两种短路的情况都都有。Vtrim电压可以是PWM方波。之前用的LM5117/LMR16030就没有这个现象。请问是什么原因呢?
输入12V,输出最大10V.
您好
首先,我们来分析一下可能的故障原因:
输入对地短路:这通常表明在TPS56221的输入端发生了某种形式的短路。可能是由于PWM信号的幅度或频率不适当,导致在Vtrim引脚处产生了过大的电流或电压尖峰,进而影响了输入端的保护机制。
输出对地短路:这可能是由于输出端负载异常、反馈回路故障或芯片内部损坏等原因造成的。在PWM控制的Vtrim电压下,如果反馈系统无法及时响应或调整,可能会导致输出电压失控,进而造成短路。
两种短路都出现:这种情况更为复杂,可能涉及到芯片内部的多个故障点或外部电路的交互作用。例如,输入端的短路可能触发了保护机制,但同时也影响了输出端的正常工作,导致输出端也出现短路。
针对这些问题,您可以考虑以下解决方案:
检查Vtrim电压的幅度和频率:确保它们都在TPS56221的规格书推荐的范围内。如果可能的话,尝试使用更平滑的电压变化来替代PWM方波。(Vfb的电压大小)
优化外部电路:检查与TPS56221相连的所有外部元件,确保它们都是正确的,并且连接良好。特别注意反馈回路和负载电路的设计。
增加保护元件:在Vtrim引脚或输入/输出端增加适当的保护元件(如限流电阻、瞬态抑制二极管等),以防止过流或过压损坏。