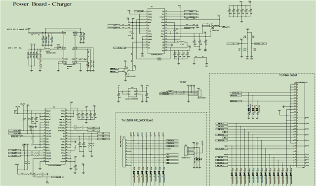
Part Number: BQ25792
控制逻辑:当电池温度升高到50℃,电池通过I2C将信息传给主板,主板将信息传递至电源板来控制PD控制器,再有PD控制器去控制充电芯片,将电流限制,停止充电,当温度降低至45℃后恢复充电。
当前问题:当前有一个主板存在如下问题,当电池温度升高到50℃,充电不会停止,一直在反复协商。

This thread has been locked.
If you have a related question, please click the "Ask a related question" button in the top right corner. The newly created question will be automatically linked to this question.