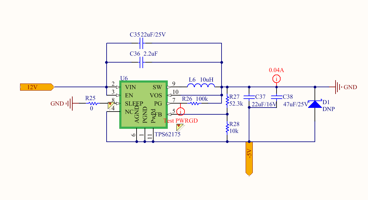
我用TPS62175芯片搭了一路-5V输出的电路,输入电压12V,由于忘接电感,测得输出电压8V多,后来又补焊上电感,输出电压就只有0.4V了。是芯片出问题了吗?我测量PGOOD管脚电压0.4V,SLEEP管脚电压0.7V。
This thread has been locked.
If you have a related question, please click the "Ask a related question" button in the top right corner. The newly created question will be automatically linked to this question.
我用TPS62175芯片搭了一路-5V输出的电路,输入电压12V,由于忘接电感,测得输出电压8V多,后来又补焊上电感,输出电压就只有0.4V了。是芯片出问题了吗?我测量PGOOD管脚电压0.4V,SLEEP管脚电压0.7V。
我重新焊了一路,WSON封装对我来说不调好焊~_~一开始也是没有电压输出,很郁闷,但是吃完饭回来,重新上电,输出-4.96V,SW管脚波形如下图。很感谢 George Luo1、 Jason Shen、 Kevin Chen1 的答复……