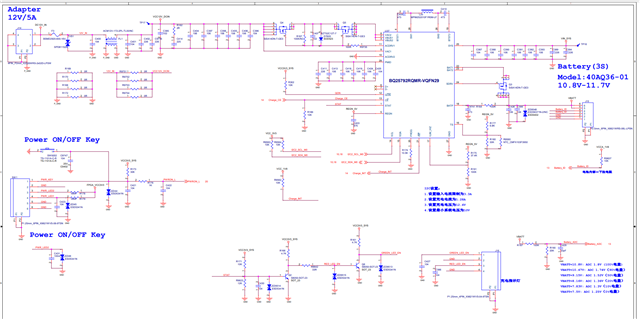
你好,目前我们在用BQ25792进行电池充电管理,但发现上电配置后,BQ25792未开始充电, 0x1C一直是0x0A,检查0x20和0x21返回0,ADC读取ibat一直为0,具体信息如下:
[ 1631.872171] chrg_stat_0 f
[ 1631.872620] chrg_stat_1 a
[ 1631.873070] chrg_ctrl_0 a2
[ 1631.873518] chrg_stat_4 1
[ 1631.874031] fault_0 0
[ 1631.874544] fault_1 0
[ 1631.875057] chrg_stat_3 40
[ 1631.876586] vbat_Adc 8866000
[ 1631.878054] vbus_adc=11996000
[ 1631.879396] ibat_adc=0
[ 1631.880800] ibus_adc=1785000
#define BQ25792_PRECHRG_CUR_MASK GENMASK(5, 0) #define BQ25792_PRECHRG_CURRENT_STEP_uA 40000 #define BQ25792_PRECHRG_I_MIN_uA 40000 #define BQ25792_PRECHRG_I_MAX_uA 2000000 #define BQ25792_PRECHRG_I_DEF_uA 120000 #define BQ25792_TERMCHRG_CUR_MASK GENMASK(4, 0) #define BQ25792_TERMCHRG_CURRENT_STEP_uA 40000 #define BQ25792_TERMCHRG_I_MIN_uA 40000 #define BQ25792_TERMCHRG_I_MAX_uA 1000000 #define BQ25792_TERMCHRG_I_DEF_uA 200000 #define BQ25792_ICHRG_CURRENT_STEP_uA 10000 #define BQ25792_ICHRG_I_MIN_uA 50000 #define BQ25792_ICHRG_I_MAX_uA 3350000 #define BQ25792_ICHRG_I_DEF_uA 2000000 #define BQ25792_VREG_V_MAX_uV 18800000 #define BQ25792_VREG_V_MIN_uV 3000000 #define BQ25792_VREG_V_DEF_uV 12600000 #define BQ25792_VREG_V_STEP_uV 10000 #define BQ25792_IINDPM_I_MIN_uA 100000 #define BQ25792_IINDPM_I_MAX_uA 3250000 #define BQ25792_IINDPM_STEP_uA 10000 #define BQ25792_IINDPM_DEF_uA 3250000 #define BQ25792_VINDPM_V_MIN_uV 3600000 #define BQ25792_VINDPM_V_MAX_uV 22000000 #define BQ25792_VINDPM_STEP_uV 100000 #define BQ25792_VINDPM_DEF_uV 3600000 #define BQ25792_ADC_VOLT_STEP_uV 1000 #define BQ25792_ADC_CURR_STEP_uA 1000
static struct reg_default bq25792_reg_defs[] = {
{BQ25792_INPUT_V_LIM, 0x24},
{BQ25792_INPUT_I_LIM_MSB, 0x01},
{BQ25792_INPUT_I_LIM_LSB, 0x2c},
{BQ25792_PRECHRG_CTRL, 0xc3},
{BQ25792_TERM_CTRL, 0x5},
{BQ25792_RECHRG_CTRL,0x0a},
{BQ25792_VOTG_REG, 0xdc},
{BQ25792_IOTG_REG, 0x4b},
{BQ25792_TIMER_CTRL, 0x3d},
{BQ25792_CHRG_CTRL_0, 0xa2},
{BQ25792_CHRG_CTRL_1, 0xA0},//0xA5
{BQ25792_CHRG_CTRL_2, 0x40},//0x40
{BQ25792_CHRG_CTRL_3, 0x12},
{BQ25792_CHRG_CTRL_5,0xBF },//0x16
{BQ25792_MPPT_CTRL, 0xaa},
{BQ25792_TEMP_CTRL, 0xc0},
{BQ25792_NTC_CTRL_0, 0x7a},
{BQ25792_NTC_CTRL_1, 0x54},//0x54
{BQ25792_ICO_I_LIM, 0x0},
{BQ25792_CHRG_STAT_0, 0x0},
{BQ25792_CHRG_STAT_1, 0x0},
{BQ25792_CHRG_STAT_2, 0x0},
{BQ25792_CHRG_STAT_3, 0x0},
{BQ25792_CHRG_STAT_4, 0x0},
{BQ25792_FAULT_STAT_0, 0x0},
{BQ25792_FAULT_STAT_1, 0x0},
{BQ25792_CHRG_FLAG_0, 0x0},
{BQ25792_CHRG_FLAG_1, 0x0},
{BQ25792_CHRG_FLAG_2, 0x0},
{BQ25792_CHRG_FLAG_3, 0x0},
{BQ25792_FAULT_FLAG_0, 0x0},
{BQ25792_FAULT_FLAG_1, 0x0},
{BQ25792_CHRG_MSK_0, 0x0},
{BQ25792_CHRG_MSK_1, 0x0},
{BQ25792_CHRG_MSK_2, 0x0},
{BQ25792_CHRG_MSK_3, 0x0},
{BQ25792_FAULT_MSK_0, 0x0},
{BQ25792_FAULT_MSK_1, 0x0},
{BQ25792_ADC_CTRL, 0x30},
{BQ25792_FN_DISABE_0, 0x0},
{BQ25792_FN_DISABE_1, 0x0},
{BQ25792_ADC_IBUS_MSB, 0x0},
{BQ25792_ADC_IBUS_LSB, 0x0},
{BQ25792_ADC_IBAT_MSB, 0x0},
{BQ25792_ADC_IBAT_LSB, 0x0},
{BQ25792_ADC_VAC1_MSB, 0x0},
{BQ25792_ADC_VAC1_LSB, 0x0},
{BQ25792_ADC_VAC2_MSB, 0x0},
{BQ25792_ADC_VAC2_LSB, 0x0},
{BQ25792_ADC_VBAT_MSB, 0x0},
{BQ25792_ADC_VBAT_LSB, 0x0},
{BQ25792_ADC_VBUS_MSB, 0x0},
{BQ25792_ADC_VBUS_LSB, 0x0},
{BQ25792_ADC_TS, 0x0},
{BQ25792_ADC_TDIE, 0x0},
{BQ25792_ADC_DP, 0x0},
{BQ25792_ADC_DM, 0x0},
{BQ25792_DPDM_DRV, 0x0},
{BQ25792_PART_INFO, 0x0},
};

能否帮忙看一下是不是哪里配置有问题。