芯片型号:
LM5148RGYR
异常现象:
我使用LM5148设计了一款直流稳压电源。上电后,该电源出现了异常:输出电压永远跟随输入电压,即:输入电压为5V时,输出电压大概4.8V;输入电压10V时,输出电压9.8V;输入电压大于10V时,情况类似,输出都非常接近输入电压。
详细情况:
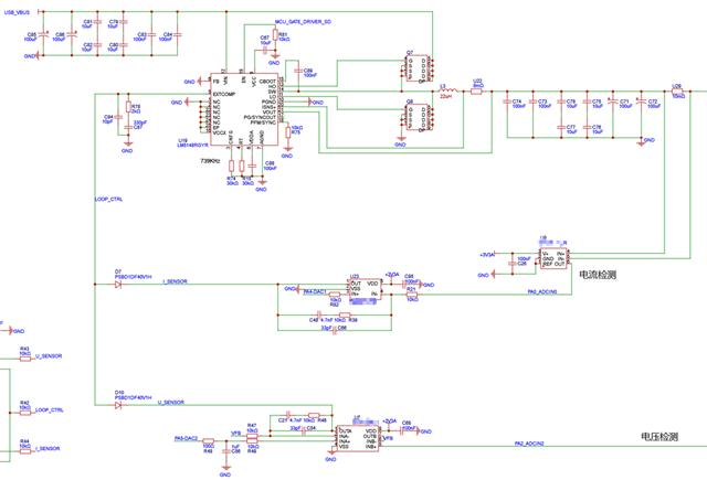
为了使稳压电源的输出可以从0V开始调节,我将LM5148的FB接地,然后EXTCOMP引脚连接了由运放搭建的CC/CV控制环路的输出。这种设计在其他电源芯片中非常常见。
原理图如下所示:

请帮忙分析一下,谢谢
This thread has been locked.
If you have a related question, please click the "Ask a related question" button in the top right corner. The newly created question will be automatically linked to this question.
芯片型号:
LM5148RGYR
异常现象:
我使用LM5148设计了一款直流稳压电源。上电后,该电源出现了异常:输出电压永远跟随输入电压,即:输入电压为5V时,输出电压大概4.8V;输入电压10V时,输出电压9.8V;输入电压大于10V时,情况类似,输出都非常接近输入电压。
详细情况:
为了使稳压电源的输出可以从0V开始调节,我将LM5148的FB接地,然后EXTCOMP引脚连接了由运放搭建的CC/CV控制环路的输出。这种设计在其他电源芯片中非常常见。
原理图如下所示:

请帮忙分析一下,谢谢
您好
LM5148RGYR出现异常现象,即输出电压跟随输入电压,可能是因为FB接地和EXTCOMP引脚连接方式的错误导致。
在LM5148的设计中,FB引脚通常用于反馈输出电压,以控制电源芯片内部的开关,从而调节输出电压。如果将FB引脚直接接地,那么芯片就无法正确获取输出电压的反馈信号,也就无法对输出电压进行有效的调节。这就可能导致输出电压直接跟随输入电压,而无法达到预期的稳压效果。
同时,EXTCOMP引脚是LM5148用于外部补偿的引脚,通常用于连接外部电路以改善电源的稳定性和响应速度。如果将EXTCOMP引脚连接由运放搭建的CC/CV控制环路的输出,而该控制环路的设计或参数设置不当,也可能导致输出电压的异常。
为了解决这个问题,建议重新检查FB和EXTCOMP引脚的连接方式。确保FB引脚能够正确反馈输出电压,而EXTCOMP引脚连接的外部电路参数设置合理,以确保电源的稳定性和输出电压的准确性。具体来说,可以尝试以下步骤: