This thread has been locked.

If you have a related question, please click the "Ask a related question" button in the top right corner. The newly created question will be automatically linked to this question.

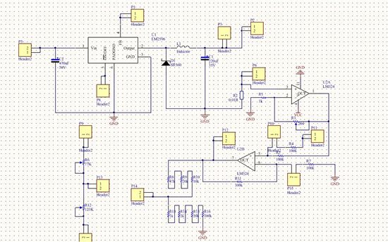
lm2596恒流可调充电,芯片烧了

Other Parts Discussed in Thread: TL431

输入电压30V,给5颗18650充电,电池电压18V左右,接上后没反应,ON/OFF脚电压很高12V左右(ON/OFF悬空的),理论上悬空不上能工作么,不知道为什么?是芯片内部直接保护了吗?后来ON/OFF脚接地,接上电池后,电压都没输入,芯片很烫,然后就废了好像