This thread has been locked.

If you have a related question, please click the "Ask a related question" button in the top right corner. The newly created question will be automatically linked to this question.

如何将9V电池提供的电压提升至45V呢?

Other Parts Discussed in Thread: LM3481, LM2588

如题,我需要做一个45V的通过电击对人体产生刺激的一个仪器,使用电源为9V电池。请问应该使用怎样的电路来完成这个操作呢?

基本属性是:输入电压9V,输出电压45V,输出电流0.6mA~1mA。

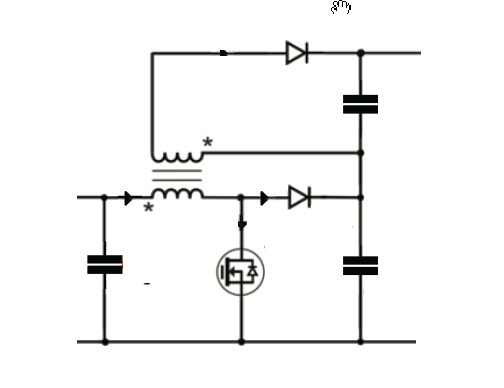
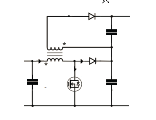
我初步的想法是使用Boost升压电路,但是这个我研究了一下设置,发现好像这样比例的升压有些困难,是不是需要两层Boost升压?

如果有其他更好的解决方案的话就太好了!麻烦各位大牛帮个忙!~