This thread has been locked.

If you have a related question, please click the "Ask a related question" button in the top right corner. The newly created question will be automatically linked to this question.

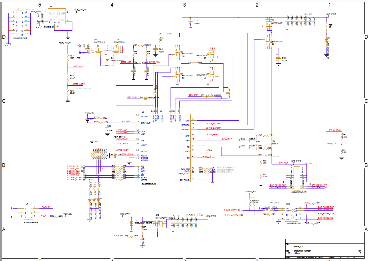
BQ25750: BQ25750默认状态下过压欠压保护了。

Part Number: BQ25750


我设计的硬件一开始欠压保护是24V,过压保护是32V,但是直流电源输入的话发现,会保护(acfet工作不正常,也是闪。),只有将欠压上拉到vac,过压下拉到GND。才正常,这个是什么原因导致的呢?

备注:在SYS输出那我接了一个MOS管的开关用于开关后级负载。之前有尝试过,上电后后闭合负载MOS管有概率能正常启动,在后级负载MOS管直接闭合的情况下开电,将无法正常启动,会闪。(硬件将过压欠压保护屏蔽了,问题消失。)

  • 您好,

    感谢您在这方面的努力。 我不太明白问题是什么。 您可以重新表述您的问题吗?

    我有一些关于原理图的建议:

    VAC 需要附近有一个1µF 电容器。
    输入电流检测电阻器和输出电流检测电阻器上的电容需要实现平衡。 您可以查看此常见问题解答以了解更多信息。
    顺便说一下、这里是指向所有 BQ2575X 常见问题解答页面的链接。

  • 您好,vac旁边放置了一个2个10Uf电容。原理图如上述图片所示,在实际运用中发现输入28V直流电源时,系统输出出现了间隔性输出(低频的一个开关信号),测量acdrv管脚输出也称开关式。将acuv上拉到VAC,ACOV下拉到gnd后。输出就正常了,acdrv大概为38V高电平。

    疑问:按如图所设置,我的过压保护应该是32V,欠压保护应该是24V,当我输入28V的时候为什么会出现间隔式输出呢。  出现问题时acdrv波形如下。

  • 您好,

    感谢您的澄清。 我想现在就明白了。 让我在下面重复您的问题、以确保我们在正确的页面上:

    ACUV = 24V
    ACOV = 32V
    VBAT = 34V
    系统负载=?
    出现的行为:在施加 VAC 之前向系统施加负载时、ACDRV 开关打开和关闭。

    这里的系统负载是多少?

    以下是我的想法:

    ACFET 可能会看到流过输入感应电阻器的电流超过8A。 这将导致 ACFET 关断、稍后再次导通。 您可以在有关电源路径切换的常见问题解答中详细了解该功能。

    为了解决这个问题、您可能会使输入检测电阻器短路。 您还可以尝试确保在插入 VAC 时、VAC 上的电压几乎与 VSYS/VBAT 上的电压匹配。

    此外、如果电池电压高于30V、我们建议在 BATFET 上安装 RC 滤波器、以防止浪涌电流。 我们建议在 BATDRV 和 BATSRC 之间使用10 Ω 和10nF RC 滤波器。

    请告诉我这些解决方案中的任何一种是否适合您。

  • 系统负载为轻载,此时只有28V/0.3A左右。应该不是BATFET造成的,上述现象都还没有使用电池的哇。

  • 您好,

    我们正在查看原理图,我认为我已经看到了这种行为的原因。 µF系统节点上的电容约为240 μ A。 当ACFET打开时,ACFET中有较大的浪涌电流,这会导致ACFET关闭。 系统上的0.3A负载导致电容器上的电压再次回到0V。 短时间后,ACFET尝试稍后再打开并重复该过程。

    我有几个测试可以验证这个猜测:

    如果您移除系统负载,那么系统负载上的电压是否会上升?
    如果您降低了连接到系统节点的电容,那么系统上的电压是否会升高?

  • 好的,感谢lydia,这个能解释我把输入acov脚拉到地,acuv脚拉到vac上,问题就消失了这个现象哇?  另外我应该怎么规避这个问题呢。减少电容?

  • 您好,

    您的反应我不是很了解。 您能重新明确这个回答吗? 目前仍存在哪些问题?

  • 好的,我意思是,您之前回答的那个问题的答案,能解释为什么我把acov脚拉到地,acuv脚拉到vac上后(这两个脚只和过压欠压有关系),上述问题就消失这个现象吗?另外我应该如何取规避浪涌这个问题呢

  • 还有一个问题,Lydia。就是默认当使用电池供电的时候(BATFET开启),此时我接入VAC电源,但是从直流电源看到此时接入VAC电源的电流为0(意思还是电池在供电,BATFET未自动关闭)。这个问题正常吗?

  • 您好,
    感谢您的澄清。

    我有几个问题来帮助调试为什么在 ACUV 和 ACOV 连接到电阻分压器时 ACFET 未导通:

    • 客户是否尝试过在输入感应电阻器上平衡电容器? 如果是、这会改变行为吗?
    • 您能否将客户布局发送给我以供审核?
    • 当 FET 导通时、BQ25240的 ACOV/ACUV 引脚可能出现欠压或过压? 客户是否可以使用示波器测量 ACOV/ACUV 引脚上的电压?
    • 当 ACDRV 打开和关闭时、BQ25750的状态和标志寄存器会报告什么?
      还有一个问题,Lydia。就是默认当使用电池供电的时候(BATFET开启),此时我接入VAC电源,但是从直流电源看到此时接入VAC电源的电流为0(意思还是电池在供电,BATFET未自动关闭)。这个问题正常吗?

      在此状态下、您可以向我发送 BQ25750寄存器文件吗?
  • 您好,上述问题,第一个问题,加电容在哪个位置呢?目前没加过,和原理图一致的,第二个问题,没有发给你们审核,我个人感觉PCB影响应该没这么大。第三个用示波器测试测试过,按原理图那样接,vcov那个点电压在1.2V稳定,vauv电压在1.0V左右稳定,第四个问题,读寄存器,直接电池或者直接适配器输入的话,寄存器状态都是正常的。后面改了下寄存器配置,已经能正常工作了。我发现导致我上述必须得把输入欠压拉到地和过压拉到VAC是因为我没接电池。接了电池,就没上述这个问题了。假如我就是不接电池的话,为了让他不保护,我能怎么通过寄存器去解决这个问题吗?

  • 您好,

    随附的图像显示了平衡电容器的含义: 

    下面是客户的比较原理图: 

    此外、如果将 RC 滤波器从 VSYS 节点移动到 VAC 节点、客户可能会看到改进: 

    第三个用示波器测试测试过,按原理图那样接,vcov那个点电压在1.2V稳定,vauv电压在1.0V左右稳定

    客户是否在发生电源路径切换时测试了 ACOV 和 ACUV 电压? 

    我发现导致我上述必须得把输入欠压拉到地和过压拉到VAC是因为我没接电池。接了电池,就没上述这个问题了。假如我就是不接电池的话,为了让他不保护,我能怎么通过寄存器去解决这个问题吗?

    我认为这种行为无法通过寄存器解决。 我认为最好的硬件解决方案。