Hellow everyone!
As shown in the figure, when the EN pin is connected in series with a 10k resistor, can the corresponding channel be activated normally?POWER=5V.
This thread has been locked.
If you have a related question, please click the "Ask a related question" button in the top right corner. The newly created question will be automatically linked to this question.
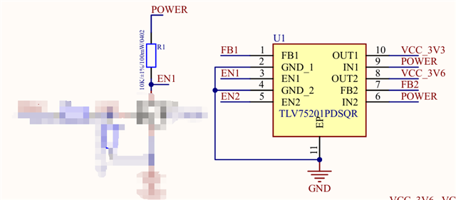
Hellow everyone!
As shown in the figure, when the EN pin is connected in series with a 10k resistor, can the corresponding channel be activated normally?POWER=5V.