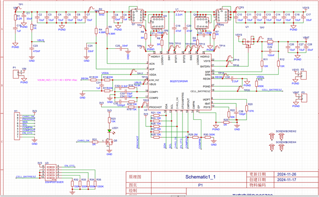
电路原理图如图所示,单节锂电池,输入电压20V,输出电压Vsys3.6V,输出电流3A。

我们发现使用该原理图的电路板使用过程中,发热较为严重,换了不同的输入MOS(Q1和Q3)管测试结果如下:
温度单位:摄氏度

去掉栅极驱动电阻R6和R8后温度有所降低,降低约10摄氏度。
如下图是上管Q1和下管Q3的Vg波形图,输入mos管型号为CSD18543Q3AT,栅极驱动电阻R6和R8为0R;Q1温度56摄氏度,Q3温度46摄氏度,芯片温度40摄氏度。
电路原理图如图所示,单节锂电池,输入电压20V,输出电压Vsys3.6V,输出电流3A。
INPUT:

OUTPUT:

Q1:

Q3:

请问这种情况是正常现象吗