This thread has been locked.
If you have a related question, please click the "Ask a related question" button in the top right corner. The newly created question will be automatically linked to this question.
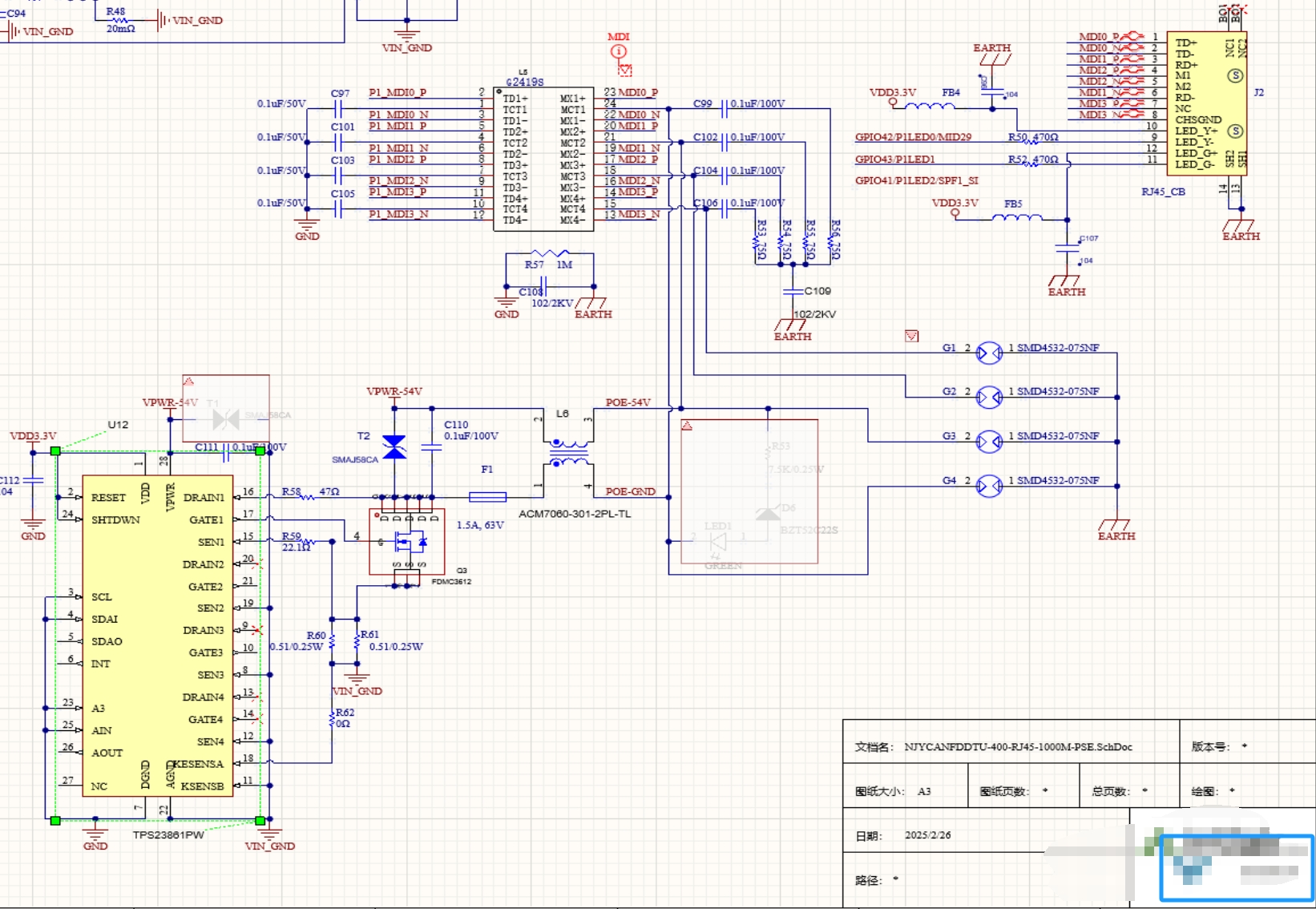
TPS23861PWR管理POE+电源输出。
总的来说,看起来还可以。对于Q3 MOSFET,通常建议使用CSD19538Q3A。或具有以下条件的其他MOSFET:
• Vth(gs) min > 2 V• Rds (on) : normally 50mohm ~ 150mohm at Vgs =10V• Ciss : 小于 2000pF• Qg : 小于 50nc• BVdss : 大于 100V
收到,感谢!