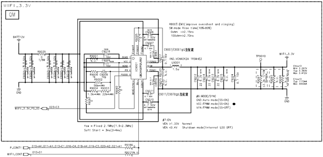
Part Number: LM62440-Q1
Ti工程师们你们好,
LM62440-Q1电源在启动瞬间产生正向rush的2ms后,产生反向rush导致电源输出电压被拉低。请问该现象是否属于正常现象,产生该现象是什么原因导致的

This thread has been locked.
If you have a related question, please click the "Ask a related question" button in the top right corner. The newly created question will be automatically linked to this question.
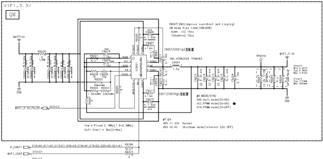
Part Number: LM62440-Q1
Ti工程师们你们好,
LM62440-Q1电源在启动瞬间产生正向rush的2ms后,产生反向rush导致电源输出电压被拉低。请问该现象是否属于正常现象,产生该现象是什么原因导致的
