Other Parts Discussed in Thread: TPS7A57,
如果使用多个LDO并联的应用,如何将remote sense信号接到LDOs?
...
This thread has been locked.
If you have a related question, please click the "Ask a related question" button in the top right corner. The newly created question will be automatically linked to this question.
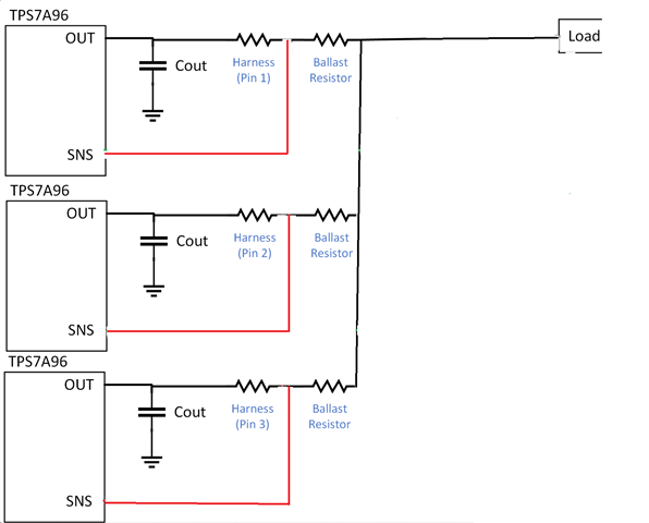
当您使用镇流电阻器技术并联时,LDO的远程感测连接必须始终位于镇流电阻器之前。但是,如果线束有3个引脚,每个LDO输出电压对应一个引脚,那么您可以将线束的直流电阻用作镇流器电阻的一部分(或全部)。这样你就不会有那么多的直流压降。大致如下:

如果线束中有3个引脚用于输出电压,但线束直流压降较大,则可以在线束后进行远程感应,并在此之后放置镇流器电阻器。大致如下:

如果线束电感和直流电阻足够大,将减缓并联LDO(或任何电源)的响应,因此您可能需要在线束和镇流器电阻器之后增加一个电容器来保持负载电压。
如果并联TPS7A96 LDO的组合电源线束中只有一条导线,则必须将镇流器电阻放置在线束之前。然后,线束两端将出现直流电压降。消除这种电压降的另一种选择是使用裕度调整参考电压。遗憾的是,我在TPS7A96数据表中没有看到讨论电压裕度的部分,但我们将其放在TPS7A57数据表中(第8.1.16节和第8.1.17节),由于两个LDO使用相同的电流参考拓扑,因此概念完全相同。
如果并联LDO的负载电压线束中只有一条导线,则必须将镇流电阻器放置在线束之前。大致如下:

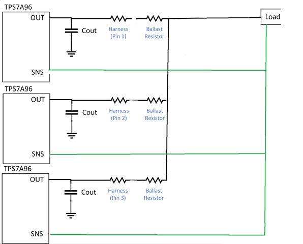
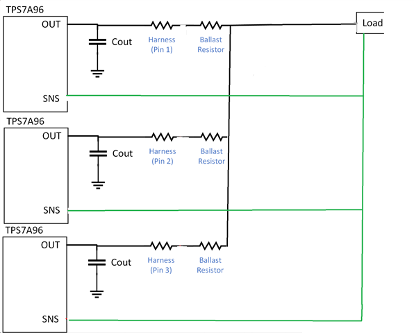
使用镇流电阻器技术,您列出的绿线选项是不可能的。LDO具有误差电压,这阻止了它们将LDO输出直接连接在一起。镇流电阻器将解决此问题,但镇流电阻器后的遥感将其抵消。以下是两份有用的白皮书,可能会有所帮助:
https://www.ti.com/lit/wp/sbva093/sbva093.pdf?ts=1742832286251
https://www.ti.com/lit/wp/sbva100/sbva100.pdf?ts=1742832304380