Other Parts Discussed in Thread: TPS23751,
TPS23758/TPS23751这类POE芯片,使用了开关电源变压器,将网口前端与后端输出隔离,目前我们的产品,外壳是金属的,并且外壳通过一些螺丝与结构件,与后端数字地连接,在这种情况下,以太网的网口外壳,是否可以直接连接到TPS23758/TPS23751的PGND或VSS?或者,是否可以直接连到后端的数字地?
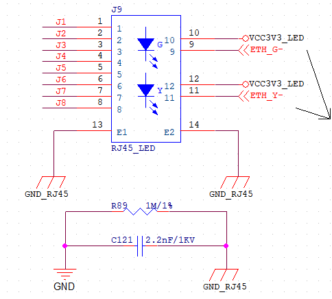
我们目前的设计:单独将网口的外壳,通过1MΩ的电阻与2.2nF的电容跨接到后端数字地

碰到的问题:ESD测试效果很不理想,在网口的金属外壳处打2KV的接触放电,4KV的空气放电,网络通信就受到影响,甚至出现PHY芯片(DP83867)网络差分口损坏的情况