This thread has been locked.

If you have a related question, please click the "Ask a related question" button in the top right corner. The newly created question will be automatically linked to this question.

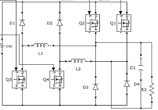
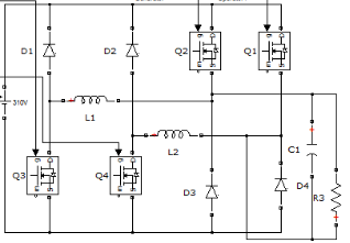
单相逆变电路中用到两个电感和常用的逆变电路中一个电感相比,有什么好处?



以上两个单相逆变电路中,第一张图中就用到一个电感L3,后面的电路是太阳能逆变器开发板中的单相逆变电路,它用到的是两个电感L1和L2,它的这种接法和使用相比以第一张电路的有什么好处?