使用TPS65217做电源管理,最近在调试一块板子的时候,发现芯片的7、8引脚SYS输出成了rc振荡电路,有多块板子,其余都是好的,只有一块是这样,大家有遇到过类似的问题吗?
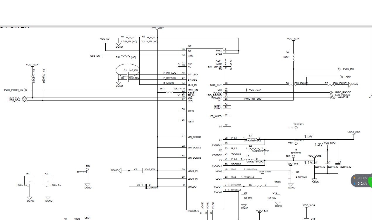
以下是原理图:
以下是SYS引脚的输出波形:
This thread has been locked.
If you have a related question, please click the "Ask a related question" button in the top right corner. The newly created question will be automatically linked to this question.
使用TPS65217做电源管理,最近在调试一块板子的时候,发现芯片的7、8引脚SYS输出成了rc振荡电路,有多块板子,其余都是好的,只有一块是这样,大家有遇到过类似的问题吗?
以下是原理图:
以下是SYS引脚的输出波形:
昨天发现,TPS65217的41脚没有接地,重新焊接后,SYS引脚输出为一稳定的0.8V 电平,更换输出电容也没有效果,后来改用USB接口给芯片供电,输出仍为0.8V,感觉应该是芯片有问题,就换了一个芯片,然后输出就正常了。
今天又发现另一个板子也出现了类似的现象,刚开始SYS引脚输出为0V,换了一个芯片后,SYS引脚输出为稳定的1.8V,有没有谁知道为什么会出现这个情况呢?我换的新的芯片,不会正巧是个坏的吧
TPS65217的第九引脚PWR_EN如果悬空的话,是个什么状态呢?高电平还是低电平或是不定状态?我现在PWR_EN悬空,然后,上电后芯片所有电源轨都有输出,这正常吗?