Part Number: TPS23881B
Other Parts Discussed in Thread: TPS23881
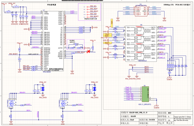
你好,我们选用TPS23881B作为PSE 802.3 BT应用,实际电路没有任何MCU来控制,器件本身的IIC接口也没有引出,通过AUTO引脚7.7K下来配置为自主模式。但是芯片上电以后没有输出,MOS栅极也没有驱动信号输出且芯片INT引脚输出低。附图为我们的应用原理
图。望TI技术人员提供一下支持。
This thread has been locked.
If you have a related question, please click the "Ask a related question" button in the top right corner. The newly created question will be automatically linked to this question.
Part Number: TPS23881B
Other Parts Discussed in Thread: TPS23881
你好,我们选用TPS23881B作为PSE 802.3 BT应用,实际电路没有任何MCU来控制,器件本身的IIC接口也没有引出,通过AUTO引脚7.7K下来配置为自主模式。但是芯片上电以后没有输出,MOS栅极也没有驱动信号输出且芯片INT引脚输出低。附图为我们的应用原理
图。望TI技术人员提供一下支持。
您是否能够探测50V 电压轨和漏极1以及漏极2并发送示波器捕获? 在成功完成检测之前、MOS 的栅极不会打开。 ΔV、我们使用漏极引脚的电流源来测量 Δ B 并确定远端的检测电阻 检测电阻必须处于19kΩ 的- 26.5kΩ 范围内才能启动分类。 您是否在远端的 RJ45上连接了任何物件、例如 PD 器件?
您能否确认您使用的是B版的TPS23881? 图中显示了TPS23881RTQ。 正确的PN应为TPS23881B1RTQR。
您能否附上PDF版本的原理图以供下载和查看?
感谢您的回复,我们原设计采用的TPS23881RTQ,了解到相关信息后已将TPS23881RTQ替换为TPS23881B,因此我们确认采用的是TPS23881B以支持自主模式。经过多次测试均未捕获输出,且"INT"引脚上电就拉低。以下为我们的应用原理图,请您帮忙确认原理图是否有配置错误之处。ESA30-KA_POE_V1.0(1).pdf
感谢原理图。 TPS23881B 可在没有主机的情况下工作。 另请检查您的 OSS 是否为 L、/RESET = H
正如您在您的设置中提到的/INT = Low。 可能需要进行调试。

未使用的 KSENS 引脚可能需要与 AGND 连接。


感谢您的及时回复。我们按照您提供的建议:将KSENS拉至GND,且/RESET=H(3.3V),OSS引脚对GND的电平为低(GND),OSS引脚对DRAIN引脚的电平为-50V,结果仍然是没有输出且INT引脚拉低。
针对目前现象我们有几个疑问:
问题一:我们目前的应用原理图是否存在问题?
问题二:导致INT引脚拉低可能是哪些原因造成?是否有相应的解决手段?
问题三:如果TPS23881B在出厂前已经配置为自动模式,那么TPS23881B的AUTO引脚在上电时还会不会去检测外部配置电阻以启动自主模式运行?
麻烦进行一个解答。谢谢。