
如图: 先上48V电(负载电) 然后上12V(控制电),下12V电,在下48V电,在上48V电,马上就会烧,请问下应该做哪些措施呢?
This thread has been locked.
If you have a related question, please click the "Ask a related question" button in the top right corner. The newly created question will be automatically linked to this question.
我对系统有一些疑问,以便更好地理解这个问题:
-我不明白问题1中的陈述——你的意思是说你打开它们然后关闭它们吗?为了澄清,48V被提供给VS,12V被提供给-EN/UVLO还是FET栅极?
-输出端是否有电感负载?
-你看到了多少负电压,你在哪里探测?
如果在输入/输出端使用适合您系统的二极管对负电压没有适当的保护,那么通常会造成损坏;然而,这取决于负电压的大小。
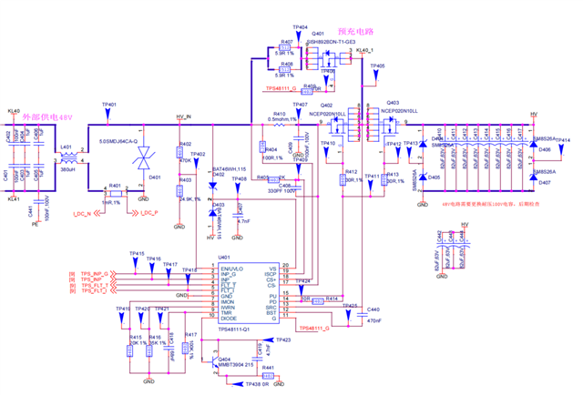
探测的是HV_IN,也就是主线上48V的电压, 12V是给MCU供电,12V与4811的交集是:MCU控制INP_G,INP
我们需要更多信息来更好地了解发生了什么。设备是否受到物理损坏?测试后它还能用吗?你有什么波形来显示CS+/CS-引脚上的电压吗?输出上的负载类型是什么?系统中是否存在双向电流?
物理损坏通常是由于过电压或违反引脚数据表中的绝对最大额定值造成的。
长时间未回复,帖子关闭。
如果仍有问题,请重新发帖。