Dear TI,
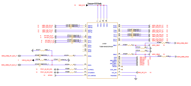
请问这个IC是否有内部固件给芯片初始化,仅需要给他提供3.3V的power supply(下图中的MUX_3V3),芯片就能够正常工作;在需要做通路调整时,再进行相应的寄存器控制。

This thread has been locked.
If you have a related question, please click the "Ask a related question" button in the top right corner. The newly created question will be automatically linked to this question.
Dear TI,
请问这个IC是否有内部固件给芯片初始化,仅需要给他提供3.3V的power supply(下图中的MUX_3V3),芯片就能够正常工作;在需要做通路调整时,再进行相应的寄存器控制。

您好,
已经收到了您的案例,调查需要些时间,感谢您的耐心等待。
您好
https://www.ti.com/lit/ds/symlink/tusb1046-dci.pdf
根据datasheet显示IC没有内部初始化固件,但是寄存器有默认值,建议您参考datasheet寄存器的说明,如果相关默认值可以,您可以先测电路,否则请先配置符合您需求的寄存器哎再进行电路测试。
Hi Daniel
多谢回复,我查阅了你提供的这一份规格书,如果按默认配置,应该是only usb3.1 mode的配置;
我们现在的设计为通过i2c进行控制,需求是后端Type-C接口可能接DP屏,也可能接usb3.1的外设,所以默认的寄存器配置应该无法满足要求,针对我们的需求场景,不考虑EQ等配置的情况下,如下的reg配置是否满足,请帮忙double check下:
0x0a - 0x03 //2lane dp 2lane usb,FLIPSEL bit待获取到正反插信息后进行控制
0x10 - 0x00 //default value
0x11 - 0x00 //default value
0x12 - 0x00//read only, no need config
0x13 - 0x00//此时默认配置AUX以正插状态连接通路,因为0x0a配置的0x03

0x20 - 0x00//default value
0x21 - 0x00//read only, no need config
0x22 - 0x04//default value
问题:
1.关于高速差分信号的通路配置,是否可以参考Table 4,比如当前配置的是0x0a - 0x03,FLIPSEL bit的0/1是否就对应Table 4中的FLIP pin高低状态?

2.0x13配置默认值0x00,表示4lane DP都enable,此时是否会影响usb通路?
3.按照上述分析,是否只需要根据插入方向更新FLIPSEL bit位即可?