Hi
这边在用UCC28730调试一款反激电源 目前测试下来 发现变换器无法稳定谷底开通
下图为带载2W时的Vds_MOS的波形

想麻烦问一下 有哪些方面会影响芯片谷底开通的功能 从哪些方面去整改可以保证变换器一直在谷底开通(还是说变换器有时不在谷底开通也是正常的?)
谢谢!
This thread has been locked.
If you have a related question, please click the "Ask a related question" button in the top right corner. The newly created question will be automatically linked to this question.
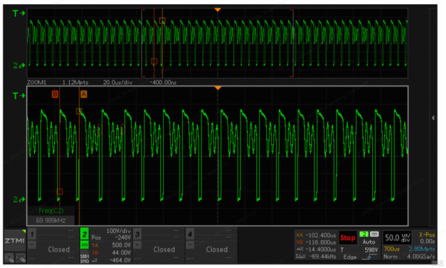
Hi
这边在用UCC28730调试一款反激电源 目前测试下来 发现变换器无法稳定谷底开通
下图为带载2W时的Vds_MOS的波形

想麻烦问一下 有哪些方面会影响芯片谷底开通的功能 从哪些方面去整改可以保证变换器一直在谷底开通(还是说变换器有时不在谷底开通也是正常的?)
谢谢!
您好,
已经收到了您的案例,调查需要些时间,感谢您的耐心等待。