This thread has been locked.

If you have a related question, please click the "Ask a related question" button in the top right corner. The newly created question will be automatically linked to this question.

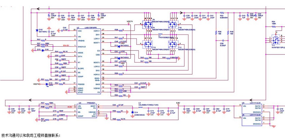
4驱动同步整流IC LM5175 问题求助



 工作情况:输入24V,输出12V/5A,  IC自身规格是12V/6A输出。这样算来留有17%的余量,为什么满载(12V/5A)工作一段时间后IC会挂?现象IC发烫。

有时开机瞬间IC也会挂掉,麻烦大神支招。谢谢!