Part Number: BQ25756

您好
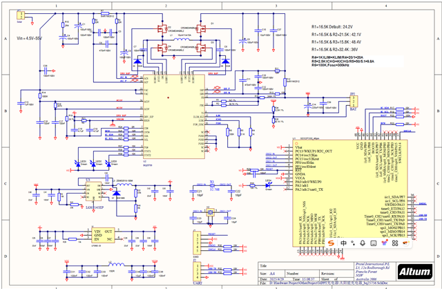
最近我用这颗芯片按照图9.1做了一款demo,上电后发现无法跑起来,而且PG/STAT1/STAT2灯全亮,不知道要怎么做了。
我测量了一下,DRV=5.06V,这个没有问题。

希望能够提供一个思路,谢谢。
This thread has been locked.
If you have a related question, please click the "Ask a related question" button in the top right corner. The newly created question will be automatically linked to this question.
请参考BQ25756-DESIGN-CALC和评估板用户手册回路图和BOM表进行检查: