This thread has been locked.

If you have a related question, please click the "Ask a related question" button in the top right corner. The newly created question will be automatically linked to this question.

TPS48111Q1EVM: 打开主回路时候损坏TPS48111芯片

Part Number: TPS48111Q1EVM

请问一下我把TPS48111的短路保护去掉了,只保留其过流保护,TMR外接电容大小68nf(Toc=1.02ms),但是现阶段在预充电结束以后,打开主回路MOS会导致TPS48111损坏,损坏现象为:PU&G没有电压输出;

负载电容大概在2mf,主回路MOS的栅极电阻为3.3R,不带负载时候主回路上电时间为20us左右;请问一下这个问题有什么办法解决吗?另外确认一下短路保护能够在20us这么短的时间内进行短路保护吗?

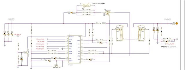
原理图如下

  • 您好,

    已经收到了您的案例,调查需要些时间,感谢您的耐心等待。

  • 您好,

         是的,该设备的短路保护仅发生在 1.2 us 内。它将非常快,器件会将 PD 拉低以关闭主 FET。

    如果您不同时使用 INP_G 关闭预充电路径、SCP 事件不会为您拉低、因此我预计这不会为0V。

    您是否正在关闭预充电路径?

    2mF 相当大。在切换到主路径之前,您是否验证了 Vout = Vin?如果它没有正确预充电,它看起来像短路。